La configuración que analizaremos ahora, nos permite obtener a partir de una fuente de corriente continua, tres voltajes alternos desfasados 120º entre sí, capaces de alimentar cargas trifásicas como puede ser un motor de inducción.
5.4.1 Análisis para carga estrella con neutro flotante
Analizar este inversor, es similar al rectificador de 6 pulsos, ya que la tensión de salida tiene la misma forma de onda que la corriente de entrada a un rectificador trifásico tipo puente.

Figura 5.10
En cada instante conducen sólo tres interruptores, que conectan directamente la carga con la fuente Vcc. Las combinaciones de apertura y cierre de los switches permiten la salida de un voltaje alterno que es requerido por la carga.
Los ciclos de operación para cada switch se muestran a continuación:

Figura 5.11
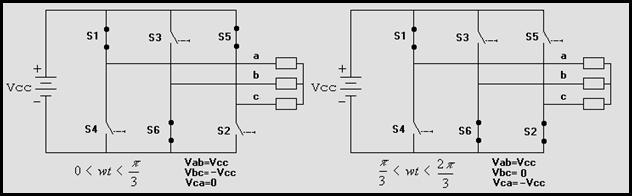
De esta forma se observa que desde 0 hasta 60º, están en conducción los switches 1, 4 y 5. La siguiente figura nos muestra el circuito cuando estos transistores conducen y cuando cambian de estado los transistores nº5 y nº6.

Figura 5.12
Podemos ver claramente que la tensión entre las fases a y b de la carga, corresponde a Vcc, cuando cambian de estado los switches 5 y 6, Vab permanece igal a Vcc, pero cambia el valor de Vca que obtiene un valor de –Vcc y Vbc pasa de –Vcc a 0, debido a que los transistores 4 y 6 al estar cerrados establecen una trayectoria cerrada para las fases b y c.
Analizando de la misma forma el resto de los estados, tendremos que los voltajes entre líneas en la carga quedan de la siguiente forma:

Figura 5.13
Análisis de Fourier para la tensión de salida
Para descomponer la señal de salida en una sumatoria de señales sinusoidales, estableceremos la señal pero desfasada 30º con respecto a la graficada mostrada anteriormente, así se simplifican los cálculos ya que obtenemos una señal alterna e impar.
La señal de voltaje entre líneas para la salida del inversor es:

Figura 5.14


Para la componente fundamental (n=1), la ganancia es igual a 1.1 con respecto a la tensión continua de entrada.

Para el cálculo de THD se determina el valor rms de la componente fundamental y el valor efectivo total de la señal se tiene por la expresión ya conocida y calculada en rectificador de seis pulsos.

Cuando tenemos una carga trifásica balanceada y conectada en estrella con neutro flotante, el voltaje entre fase y neutro queda con los siguientes valores:

Figura 5.15
Así entre:


figura 5.16
Y entre:

Para el resto de las combinaciones en los switches, el voltaje entre fase y neutro del circuito queda como:

Figura 5.17
Para desarrollar la serie de Fourier de la señal se integra desde 0 hasta 90º, ya que posee simetría de cuarto de onda.

Figura 5.18


n=1,5,7,1,13....
Para el valor rms de la señal se desarrolla el cálculo entre los mismos límites de integración:

Con estas expresiones ya podemos calcular el THDV de la señal.

Ejemplo 5.2
Se tiene un inversor de seis pulsos, con una frecuencia de salida de 50Hz, 
alimentado desde una batería de 500Vdc que abastece una carga trifásica 
equilibrada conectada en estrella con  y
 y  . Si se considera un inversor sin pérdidas, calcule:
. Si se considera un inversor sin pérdidas, calcule:
a) Corriente efectiva en la carga y THDI.
b) Potencia activa consumida por la carga.
c) Corriente CC circulante en la batería.
Solución:
El voltaje existente entre fase y neutro y la forma de onda aproximada de corriente, se grafica a continuación:

Figura 5.19
Evaluando la expresión para cada armónico, obtenemos las componentes de voltaje que están presentes en cada fase de la carga.






La distorsión de corriente es menor a la distorsión presente en el voltaje aplicado, ya que la carga inductiva reduce las componentes armónicas de mayor frecuencia.
b) La potencia activa se calcula fácilmente con el valor de corriente eficaz que circula por la carga.

c) Dado que el convertidor es ideal, no se consideran las pérdidas por conmutación, por esto la potencia consumida por la carga es igual a la potencia suministrada por la batería.

5.4.2 Inversor alimentando carga con neutro aterrizado
En la siguiente configuración se utiliza una batería con toma media o una fuente dual de CC. La carga a su vez tiene el neutro conectado a tierra, lo que implica un cambio de la señal de voltaje entre fase y neutro.

Figura 5.20
Con la misma secuencia de operación en los switches se obtiene lo siguiente:

Figura 5.21
En resumen, se observa que si S1está en conducción, el voltaje Van siempre será Vcc/2 pero cuando S1 se abra y entre en conducción S4, el voltaje Van será –Vcc/2, dado que el retorno de tierra permite esos estados y la fase “a” es alimentada por S1 ó S4. Lo mismo ocurre para el resto de los voltajes, la tensión Vbn depende de la pareja de switches S3 y S6 y Vcn depende de S5 con S2.
Con este análisis se obtienen las siguientes gráficas que corresponden a la tensión Vab y Van.

Figura 5.22
Dado que la señal de voltaje entre fase y el neutro, es una onda cuadrada, el contenido armónico aumenta, ya que esta señal posee todos los armónicos impares, incluyendo los múltiplos de 3, que eran inexistentes en el caso de carga con neutro flotante.